Research article

Experimental evaluation of lime spray drying for SO2 absorption

  • Received: 26 December 2022 Revised: 02 April 2023 Accepted: 04 April 2023 Published: 17 April 2023
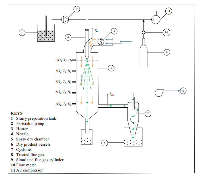
  • This paper presents the findings of an experimental investigation on the performance of a laboratory-scale spray dryer involving flue gas desulfurization. Using commercial hydrated lime as a sorbent, a systematic set of experiments were performed to evaluate SO2 absorption capacity of the spray dryer. The experimentation involved accurate measurement of the spray drying characteristics, such as temperature and SO2 concentration along the spray chamber, by varying the input and output variables. Tests were done to investigate the effects of spray characteristics, i.e., inlet gas phase temperature (120–180 ℃) and calcium-to-sulfur ratio (1–2.5), on SO2 removal efficiency. The performance of the spray dryer was further evaluated based on the degree of conversion of calcium (sorbent utilization) after SO2 absorption. Results indicated an increase in SO2 removal efficiency by increasing the stoichiometric ratio and decreasing the temperature. Absorption efficiency of SO2 beyond 90% was achieved at a stoichiometric ratio of 2.5. A high degree of conversion of calcium was realized at low stoichiometric ratios, with a maximum utilization of 94% obtained at a stoichiometric ratio of 1.5. The analysis of the final desulfurization product revealed the presence of sulfite with better conversion achieved at a stoichiometric molar ratio of 1.5. A significant amount of unreacted sorbent (63.43%) was observed at a stoichiometric ratio of 2, while samples collected at a stoichiometric ratio of 1.5 had the lowest concentration of unreacted Ca[OH]2 (41.23%).

    Citation: Lawrence Koech, Hilary Rutto, Tumisang Seodigeng. Experimental evaluation of lime spray drying for SO2 absorption[J]. AIMS Environmental Science, 2023, 10(3): 325-340. doi: 10.3934/environsci.2023019

    Related Papers:

  • This paper presents the findings of an experimental investigation on the performance of a laboratory-scale spray dryer involving flue gas desulfurization. Using commercial hydrated lime as a sorbent, a systematic set of experiments were performed to evaluate SO2 absorption capacity of the spray dryer. The experimentation involved accurate measurement of the spray drying characteristics, such as temperature and SO2 concentration along the spray chamber, by varying the input and output variables. Tests were done to investigate the effects of spray characteristics, i.e., inlet gas phase temperature (120–180 ℃) and calcium-to-sulfur ratio (1–2.5), on SO2 removal efficiency. The performance of the spray dryer was further evaluated based on the degree of conversion of calcium (sorbent utilization) after SO2 absorption. Results indicated an increase in SO2 removal efficiency by increasing the stoichiometric ratio and decreasing the temperature. Absorption efficiency of SO2 beyond 90% was achieved at a stoichiometric ratio of 2.5. A high degree of conversion of calcium was realized at low stoichiometric ratios, with a maximum utilization of 94% obtained at a stoichiometric ratio of 1.5. The analysis of the final desulfurization product revealed the presence of sulfite with better conversion achieved at a stoichiometric molar ratio of 1.5. A significant amount of unreacted sorbent (63.43%) was observed at a stoichiometric ratio of 2, while samples collected at a stoichiometric ratio of 1.5 had the lowest concentration of unreacted Ca[OH]2 (41.23%).



    加载中


    [1] Córdoba P (2015) Status of Flue Gas Desulphurisation (FGD) systems from coal-fired power plants: Overview of the physic-chemical control processes of wet limestone FGDs. Fuel 144: 274–286. https://doi.org/10.1016/j.fuel.2014.12.065 doi: 10.1016/j.fuel.2014.12.065
    [2] Yang HM, Kim SS (2000) Experimental study on the spray characteristics in the spray drying absorber. Environ Sci Technol 34: 4582–4586. https://doi.org/10.1021/es001104c doi: 10.1021/es001104c
    [3] Wang R, Dai Y, Zhang S, et al. (2019) Performance Evaluation and Optimization Analysis of Zero Discharge Device for Desulfurization Wastewater Based on Spray Drying Technology, IOP Conf. Ser.: Mater. Sci. Eng. 592:012199. https://doi.org/10.1088/1757-899X/592/1/012199 doi: 10.1088/1757-899X/592/1/012199
    [4] Carpenter AM (2012) Low water FGD technologies. CCC/210 London: IEA Clean Coal Centre. ISBN 978-92-9029-530-3
    [5] Katolicky J, Jicha M (2013) Influence of the Lime Slurry Droplet Spectrum on the Efficiency of Semi-Dry Flue Gas Desulfurization. Chem Eng Technol 36: 156–166. https://doi.org/10.1002/ceat.201100690 doi: 10.1002/ceat.201100690
    [6] Shanshan Z, Renlei W, Guorui T, et al. (2020) Application and performance evaluation of desulfurization wastewater spray drying technology, E3S Web of Conferences, EDP Sciences 143: 02029. https://doi.org/10.1051/e3sconf/202014302029
    [7] Scala F, D'Ascenzo M, Lancia A (2004) Modeling flue gas desulfurization by spray-dry absorption. Sep Purif Technol 34: 143–153. https://doi.org/10.1016/S1383-5866(03)00188-6 doi: 10.1016/S1383-5866(03)00188-6
    [8] Neathery JK (1996) Model for flue‐gas desulfurization in a circulating dry scrubber. AIChE J 42: 259–268. https://doi.org/10.1002/aic.690420123 doi: 10.1002/aic.690420123
    [9] Partridge GP, Davis WT, Counce RM, et al. (1990) A mechanistically based mathematical model of sulfur dioxide absorption into a calcium hydroxide slurry in a spray dryer. Chem Eng Commun 96: 97–112. https://doi.org/10.1080/00986449008911485 doi: 10.1080/00986449008911485
    [10] Erdöl-Aydin N, Nasün-Saygili G (2007) Modelling of trona based spray dry scrubbing of SO2. Chem Eng J 126: 45–50. https://doi.org/10.1016/j.cej.2006.05.020 doi: 10.1016/j.cej.2006.05.020
    [11] Hill F, Zank J (2000) Flue gas desulphurization by spray dry absorption. Chem Eng Process Process Intensification 39: 45–52. https://doi.org/10.1016/S0255-2701(99)00077-X doi: 10.1016/S0255-2701(99)00077-X
    [12] Hadjar H, Hamdi B, Jaber M, et al. (2008) Elaboration and characterisation of new mesoporous materials from diatomite and charcoal. Microporous Mesoporous Mater 107: 219–226. https://doi.org/10.1016/j.micromeso.2007.01.053 doi: 10.1016/j.micromeso.2007.01.053
    [13] Garea A, Fernandez I, Viguri J, et al. (1997) Fly-ash/calcium hydroxide mixtures for SO2 removal: structural properties and maximum yield. Chem Eng J 66: 171–179. https://doi.org/10.1016/S1385-8947(96)03178-6 doi: 10.1016/S1385-8947(96)03178-6
    [14] Lee KT, Bhatia S, Mohamed AR (2005) Preparation and characterization of sorbents prepared from ash (waste material) for sulfur dioxide (SO2) removal. J Mater Cycles and Waste Manag 7: 16–23. https://doi.org/10.1007/s10163-004-0121-2 doi: 10.1007/s10163-004-0121-2
    [15] Newton GH, Kramlich J, Payne R (1990) Modeling the SO2‐slurry droplet reaction. AIChE J 36: 1865–1872. https://doi.org/10.1002/aic.690361210 doi: 10.1002/aic.690361210
    [16] Sahar A, Kehat E (1991) Sulfur dioxide removal from hot flue gases by lime suspension spray in a tube reactor. Ind Eng Chem Res 30: 435–440. https://doi.org/10.1021/ie00051a001 doi: 10.1021/ie00051a001
    [17] Mei D, Shi J, Zhu Y, et al. (2020) Optimization the operation parameters of SDA desulfurization tower by flow coupling chemical reaction model. Pol J Chem Technol 22: 35-45. https://doi.org/10.2478/pjct-2020-0006 doi: 10.2478/pjct-2020-0006
    [18] Wey M, Wu H, Tseng H, et al. (2003) Experimental testing of spray dryer for control of incineration emissions. J Environ Sci Health Part A 38: 975–989. https://doi.org/10.1081/ESE-120018605 doi: 10.1081/ESE-120018605
    [19] Wang D, Bao A, Kunc W, Liss W (2012) Coal power plant flue gas waste heat and water recovery. Appl Energy 91: 341–348. https://doi.org/10.1016/j.apenergy.2011.10.003 doi: 10.1016/j.apenergy.2011.10.003
    [20] Zhang C, Zou D, Huang X, Lu W (2022) Coal-Fired Boiler Flue Gas Desulfurization System Based on Slurry Waste Heat Recovery in Severe Cold Areas. Membr 12: 47. https://doi.org/10.3390/membranes12010047 doi: 10.3390/membranes12010047
    [21] Scala F, Lancia A, Nigro R, et al. (2005) Spray-dry desulfurization of flue gas from heavy oil combustion. J Air Waste Manage Assoc 55: 20–29. https://doi.org/10.1080/10473289.2005.10464604 doi: 10.1080/10473289.2005.10464604
    [22] Ollero P, Salvador L, Cañadas L (1997) An experimental study of flue gas desulfurization in a pilot spray dryer. Environ Prog 16: 20–28. https://doi.org/10.1002/ep.3300160116 doi: 10.1002/ep.3300160116
    [23] Küspert R, Krammer G (2012) Flue gases: Gypsum dewatering in desulphurisation. Filtr Sep 49: 30–33. https://doi.org/10.1016/S0015-1882(12)70144-1 doi: 10.1016/S0015-1882(12)70144-1
    [24] Guan B, Fu H, Yu J, et al. (2011) Direct transformation of calcium sulfite to α-calcium sulfate hemihydrate in a concentrated Ca–Mg–Mn chloride solution under atmospheric pressure. Fuel 90: 36–41. https://doi.org/10.1016/j.fuel.2010.08.020 doi: 10.1016/j.fuel.2010.08.020
    [25] Böke H, Akkurt S, Özdemir S, et al. (2004) Quantification of CaCO3–CaSO3·0.5 H2O–CaSO4·2H2O mixtures by FTIR analysis and its ANN model. Mater Lett 58: 723–726. https://doi.org/10.1016/j.matlet.2003.07.008 doi: 10.1016/j.matlet.2003.07.008
    [26] Laperche V, Bigham JM (2002) Quantitative, chemical, and mineralogical characterization of flue gas desulfurization by-products. J Environ Qual 31: 979–988. https://doi.org/10.2134/jeq2002.9790 doi: 10.2134/jeq2002.9790
    [27] Kim T, Olek J (2012) Effects of sample preparation and interpretation of thermogravimetric curves on calcium hydroxide in hydrated pastes and mortars. Transp Res Rec 2290: 10–18. https://doi.org/10.3141/2290-02 doi: 10.3141/2290-02
    [28] VGB PowerTech (2008) Analysis of FGD Gypsum - VGB-Instruction Sheets - VGB Technical Rules, 2nd ed. VGB PowerTech e.V. Accessed: Aug. 02, 2021. Available: https://www.vgb.org/shop/technicalrules/merkblatter/m701e-ebook.html
  • Reader Comments
  • © 2023 the Author(s), licensee AIMS Press. This is an open access article distributed under the terms of the Creative Commons Attribution License (http://creativecommons.org/licenses/by/4.0)
通讯作者: 陈斌, bchen63@163.com
  • 1. 

    沈阳化工大学材料科学与工程学院 沈阳 110142

  1. 本站搜索
  2. 百度学术搜索
  3. 万方数据库搜索
  4. CNKI搜索

Metrics

Article views(3313) PDF downloads(189) Cited by(2)

Article outline

Figures and Tables

Figures(9)  /  Tables(4)

Other Articles By Authors

/

DownLoad:  Full-Size Img  PowerPoint
Return
Return

Catalog