Research article

Electronic modeling of biochemical pathways on reconfigurable computing platform-a repressive circuit of soil bacteria

  • Published: 05 September 2025
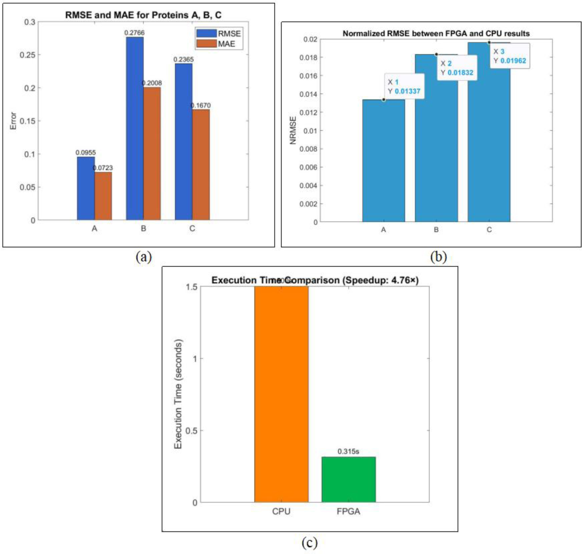
  • Cytomorphic hardware, in which bio-cellular processes are mapped onto an electronic substrate, has gained quite a prominence in the past few decades due to advancements in the fields of systems biology, synthetic biology, and other related disciplines. Conventionally, the analog substrate is the preferred choice for nonlinear biochemical reactions in the biological circuits; however, many researchers have exploited the flexibility, reconfigurability, and ease of design of digital platforms such as reconfigurable field-programmable gate arrays (FPGAs). In this work, we briefly examined work on such reconfigurable platforms and proposed a novel and straightforward technique to implement the systems of ordinary differential equations describing such biochemical reactions in a modular fashion using single-precision floating-point intellectual property cores available on a representative reconfigurable platform. A simplified biochemical system of a repressive three-way network of soil bacteria was taken into account, and the system of ordinary differential equations was first simulated in a software-based environment with results compared against a hardware-based realization. We observed a significant speed-up of up to 5x in the reconfigurable platform-based realization compared to the software-based realization. The values in the hardware-based realization were also more accurate compared to the software-based approach. Statistical error metrics (RMSE, MAE, and NRMSE) further confirmed a close numerical match between the two implementations. Hence, the results conformed well, and thus, this design strategy can be incorporated into the future cytomorphic design on field-programmable gate arrays.

    Citation: Syeda Ramish Fatima, Maria Waqas. Electronic modeling of biochemical pathways on reconfigurable computing platform-a repressive circuit of soil bacteria[J]. AIMS Bioengineering, 2025, 12(3): 412-434. doi: 10.3934/bioeng.2025020

    Related Papers:

  • Cytomorphic hardware, in which bio-cellular processes are mapped onto an electronic substrate, has gained quite a prominence in the past few decades due to advancements in the fields of systems biology, synthetic biology, and other related disciplines. Conventionally, the analog substrate is the preferred choice for nonlinear biochemical reactions in the biological circuits; however, many researchers have exploited the flexibility, reconfigurability, and ease of design of digital platforms such as reconfigurable field-programmable gate arrays (FPGAs). In this work, we briefly examined work on such reconfigurable platforms and proposed a novel and straightforward technique to implement the systems of ordinary differential equations describing such biochemical reactions in a modular fashion using single-precision floating-point intellectual property cores available on a representative reconfigurable platform. A simplified biochemical system of a repressive three-way network of soil bacteria was taken into account, and the system of ordinary differential equations was first simulated in a software-based environment with results compared against a hardware-based realization. We observed a significant speed-up of up to 5x in the reconfigurable platform-based realization compared to the software-based realization. The values in the hardware-based realization were also more accurate compared to the software-based approach. Statistical error metrics (RMSE, MAE, and NRMSE) further confirmed a close numerical match between the two implementations. Hence, the results conformed well, and thus, this design strategy can be incorporated into the future cytomorphic design on field-programmable gate arrays.



    加载中


    Conflict of interest



    All authors declare no conflicts of interest in this paper.

    Authors contributions



    We would like to undertake that both authors of this research paper have directly participated in the planning, execution, or analysis of this study. All authors of this research paper have read and approved the final version submitted.

    [1] Fisher J, Henzinger TA (2007) Executable cell biology. Nat Biotechnol 25: 1239-1249. https://doi.org/10.1038/nbt1356
    [2] Fisher J, Piterman N (2010) The executable pathway to biological networks. Briefings Funct Genomics 9: 79-92. https://doi.org/10.1093/bfgp/elp054
    [3] Gao R, Hu W, Tarn TJ (2013) The application of finite state machine in modeling and control of gene mutation process. IEEE Trans NanoBiosci 12: 265-274. https://doi.org/10.1109/TNB.2013.2260866
    [4] Fuente D, Garibo i Orts Ó, Conejero JA, et al. (2020) Rational design of a genetic finite state machine: combining biology, engineering, and mathematics for bio-computer research. Mathematics 8: 1362. https://doi.org/10.3390/math8081362
    [5] Liu L, Hong F, Liu H, et al. (2022) A localized DNA finite-state machine with temporal resolution. Sci Adv 8: eabm9530. https://doi.org/10.1126/sciadv.abm9530
    [6] Mowbray MR, Wu C, Rogers AW, et al. (2023) A reinforcement learning-based hybrid modeling framework for bioprocess kinetics identification. Biotechnol Bioeng 120: 154-168. https://doi.org/10.1002/bit.28262
    [7] Zi Z, Klipp E (2006) SBML-PET: a systems biology markup language-based parameter estimation tool. Bioinformatic 22: 2704-2705. https://doi.org/10.1093/bioinformatics/btl443
    [8] Novère NL (2009) The systems biology graphical notation. Nat Biotechnol 27: 735-741. https://doi.org/10.1038/nbt.1558
    [9] Schaub MA, Henzinger TA, Fisher J (2007) Qualitative networks: a symbolic approach to analyze biological signaling networks. BMC Syst Biol 1: 4. https://doi.org/10.1186/1752-0509-1-4
    [10] Palshikar MG, Min X, Crystal A, et al. (2023) Executable network models of integrated multiomics data. J Proteome Res 22: 1546-1556. https://doi.org/10.1021/acs.jproteome.2c00730
    [11] Milo R, Shen-Orr S, Itzkovitz S, et al. (2002) Network motifs: simple building blocks of complex networks. Science 29: 824-827. https://doi.org/10.1126/science.298.5594.824
    [12] Shen-Orr SS, Milo R, Mangan S, et al. (2002) Network motifs in the transcriptional regulation network of Escherichia coli. Nat Genet 31: 64-68. https://doi.org/10.1038/ng881
    [13] Bray D (2015) Limits of computational biology. In Silico Biol 12: 1-7. https://doi.org/10.3233/ISB-140461
    [14] Routtenberg A (2008) Long-lasting memory from evanescent networks. Eur J Pharmacol 585: 60-63. https://doi.org/10.1016/j.ejphar.2008.02.047
    [15] Chalkidis G, Nagasaki M, Miyano S (2010) High performance hybrid functional petri net simulations of biological pathway models on cuda. IEEE/ACM Trans Comput Biol Bioinform 8: 1545-1556. https://doi.org/10.1109/TCBB.2010.118
    [16] Osana Y, Yoshimi M, Iwaoka Y, et al. (2007) ReCSiP: an FPGA-based general-purpose biochemical simulator. Electron Commun Jpn Part II Electron 90: 1-10. https://doi.org/10.1002/ecjb.20370
    [17] De Rubertis G, Davies SW (2003) A genetic circuit amplifier: design and simulation. IEEE Trans Nanobioscience 2: 239-246. https://doi.org/10.1109/TNB.2003.820283
    [18] Hasan SMR (2010) A digital cmos sequential circuit model for bio-cellular adaptive immune response pathway using phagolysosomic digestion: a digital phagocytosis engine. J Biomed Sci Eng 3: 470-475. https://doi.org/10.4236/jbise.2010.35065
    [19] Hasan SMR (2008) A micro-sequenced CMOS model for cell signaling pathway using G-protein and phosphorylation cascade. 2008 15th International Conference on Mechatronics and Machine Vision in Practice . IEEE 57-62. https://doi.org/10.1109/MMVIP.2008.4749507
    [20] Hasan SMR (2008) A novel mixed-signal integrated circuit model for DNA-protein regulatory genetic circuits and genetic state machines. IEEE Trans Circuits Syst Regul Pap 55: 1185-1196. https://doi.org/10.1109/TCSI.2008.925632
    [21] Alam S, Hasan SMR (2013) Integrated circuit modeling of biocellular post-transcription gene mechanisms regulated by microRNA and proteasome. IEEE Trans Circuits Syst Regul Pap 60: 2298-2310. https://doi.org/10.1109/TCSI.2013.2245451
    [22] Sarpeshkar R (2014) Analog synthetic biology. Philos Trans R Soc Math Phys Eng Sci 372: 20130110. https://doi.org/10.1098/rsta.2013.0110
    [23] Sarpeshkar R, Lu TKT, Danial R, et al. Analog and mixed-signal computation and circuits in living cells: U.S. (2015). Patent Application 14/391,817[P]. 2015-3-26
    [24] Beahm DR, Deng Y, Riley TG, et al. (2021) Cytomorphic electronic systems: a review and perspective. IEEE Nanotechnol Mag 15: 41-53. https://doi.org/10.1109/MNANO.2021.3113192
    [25] Waqas M, Khurram M, Hasan SMR (2017) Bio-cellular processes modeling on silicon substrate: receptor-ligand binding and Michaelis Menten reaction. Analog Integr Circuits Signal Process 93: 329-340. https://doi.org/10.1007/s10470-017-1044-x
    [26] Waqas M, Ainuddin U, Iftikhar U (2022) An analog electronic circuit model for cAMP-dependent pathway-towards creation of Silicon life. AIMS Bioeng 9: 145-162. https://doi.org/10.3934/bioeng.2022011
    [27] Waqas M, Khurram M, Hasan SMR (2020) Analog electronic circuits to model cooperativity in hill process. Mehran Univ Res J Eng Technol 39: 678-685. https://doi.org/10.22581/muet1982.2004.01
    [28] Patra T, Chatterjee S, Barman Mandal S (2023) Cytomorphic electrical circuit modeling of tumor suppressor p53 protein pathway. Trans Indian Natl Acad Eng 8: 363-377. https://doi.org/10.1007/s41403-023-00403-0
    [29] Patra T, Dey S, Barman S (2025) Cytomorphic electronic system design of apoptosis pathway with extrinsic and intrinsic perturbations. Comput Biol Chem 119: 108545. https://doi.org/10.1016/j.compbiolchem.2025.108545
    [30] Yamaguchi Y, Azuma R, Konagaya A, et al. (2003) An approach for the high speed Monte Carlo simulation with FPGA-toward a whole cell simulation. 2003 46th Midwest Symposium on Circuits and Systems . IEEE 364-367. https://doi.org/10.1109/MWSCAS.2003.1562294
    [31] Yamaguchi Y, Maruyama T, Azuma R, et al. (2007) Mesoscopic-level simulation of dynamics and interactions of biological molecules using monte carlo simulation. J VLSI Signal Process Syst Signal Image Video Technol 48: 287-299. https://doi.org/10.1007/s11265-007-0072-7
    [32] Mak TST, Rachmuth G, Lam KP, et al. (2006) A component-based FPGA design framework for neuronal ion channel dynamics simulations. IEEE Trans Neural Syst Rehabil Eng 14: 410-418. https://doi.org/10.1109/TNSRE.2006.886727
    [33] Fatima SR, Waqas M (2025) Trends of modeling bio-cellular processes and neural pathways on analog, mixed-signal and digital hardware-a review. AIMS Bioeng 12: 177-208. https://doi.org/10.3934/bioeng.2025008
    [34] Mogilner A, Wollman R, Marshall WF (2006) Quantitative modeling in cell biology: what is it good for?. Dev Cell 11: 279-287. https://doi.org/10.1016/j.devcel.2006.08.004
    [35] Igoshin OA, Goldbeter A, Kaiser D, et al. (2004) A biochemical oscillator explains several aspects of Myxococcus xanthus behavior during development. Proc Natl Acad Sci 101: 15760-15765. https://doi.org/10.1073/pnas.0407111101
    [36] Osana Y, Fukushima T, Amano H (2003) Implementation of recsip: a reconfigurable cell simulation platform. International Conference on Field Programmable Logic and Applications . Berlin, Heidelberg: Springer Berlin Heidelberg 766-775. https://doi.org/10.1007/978-3-540-45234-8_74
    [37] Osana Y, Fukushima T, Yoshimi M, et al. (2004) An FPGA-based acceleration method for metabolic simulation. IEICE Trans Inf Syst 87: 2029-2037.
    [38] Osana Y, Fukushima T, Yoshimi M, et al. (2005) An FPGA-based, multi-model simulation method for biochemical systems. 19th IEEE International Parallel and Distributed Processing Symposium . IEEE 4.
    [39] Osana Y, Yoshimi M, Iwaoka Y, et al. (2007) ReCSiP: an FPGA-based general-purpose biochemical simulator. Electron Commun Jpn Part II Electron 90: 1-10. https://doi.org/10.1002/ecjb.20370
    [40] Amano H, Kitano N, Iwanaga N, et al. (2006) Performance evaluation of an FPGA-based biochemical simulator ReCSiP. 2006 International Conference on Field Programmable Logic and Applications . IEEE 1-6. https://doi.org/10.1109/FPL.2006.311327
    [41] Soleimani H, Drakakis EM (2017) A compact synchronous cellular model of nonlinear calcium dynamics: simulation and FPGA synthesis results. IEEE Trans Biomed Circuits Syst 11: 703-713. https://doi.org/10.1109/TBCAS.2016.2636183
    [42] Soma BM, Moumita A, Samik B, et al. (2021) FPGA implementation of different stochastic biochemical reactions involved in a cell. 2021 25th International Symposium on VLSI Design and Test (VDAT) . IEEE 1-4. https://doi.org/10.1109/VDAT53777.2021.9601094
    [43] Acharya M, Dey S, Chakrabarti A, et al. (2023) FPGA based library subset design for different biochemical reactions involved in a cell. Sādhanā 48: 264. https://doi.org/10.1007/s12046-023-02314-w
    [44] Acharya M, Chakrabarti A, Dey S, et al. (2024) Designing Lab Prototype of Synthetic p53 Protein-Based Tumor Suppressor Pathway. 2024 1st International Conference on Cognitive, Green and Ubiquitous Computing (IC-CGU) . IEEE 1-6. https://doi.org/10.1109/IC-CGU58078.2024.10530855
  • bioeng-12-03-020-Figure S1.pdf
    bioeng-12-03-020-Figure S2.pdf
  • Reader Comments
  • © 2025 the Author(s), licensee AIMS Press. This is an open access article distributed under the terms of the Creative Commons Attribution License (http://creativecommons.org/licenses/by/4.0)
通讯作者: 陈斌, bchen63@163.com
  • 1. 

    沈阳化工大学材料科学与工程学院 沈阳 110142

  1. 本站搜索
  2. 百度学术搜索
  3. 万方数据库搜索
  4. CNKI搜索

Metrics

Article views(1400) PDF downloads(30) Cited by(0)

Article outline

Figures and Tables

Figures(12)  /  Tables(2)

Other Articles By Authors

/

DownLoad:  Full-Size Img  PowerPoint
Return
Return

Catalog