Research article Special Issues

Analysis of the dynamic performance and energy efficiency of a three-wheel electric vehicle under standard drive cycles

  • Published: 16 January 2026
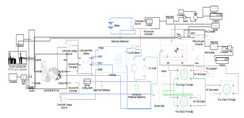
  • Electric three-wheelers are increasingly adopted in developing countries as sustainable alternatives to internal combustion engine-based transport, yet their design and optimization require accurate modelling tools for improved adoption. This study develops a comprehensive MATLAB/Simulink model for evaluating the dynamic performance and energy efficiency of a three-wheel electric vehicle under standard driving cycle conditions. The model integrates a 3 kW brushless DC (BLDC) motor, a 48 V 100 Ah lithium-ion battery (NMC), and an H-bridge inverter with regenerative braking. The motor electrical parameters, battery internal resistance, C-rate, and inverter switching characteristics were incorporated to ensure reproducibility. A proportional-integral (PI) controller is employed to emulate driver torque demand. Vehicle performance is assessed using four standard drive cycles, such as the federal test procedure (FTP-75), the new European driving cycle (NEDC), the worldwide harmonized light vehicles test procedure (WLTP Class 3), and the urban dynamometer driving schedule (UDDS). Results show that WLTP Class 3 provides the most realistic representation of energy consumption for urban three-wheelers owing to its wider speed range, more dynamic acceleration patterns, and mixed urban–suburban characteristics. In comparison, FTP-75 and UDDS emphasise low-speed stop-and-go operation, while NEDC reflects smoother peri-urban driving. A mass-based analysis further demonstrates a strong positive correlation between vehicle weight and energy consumption, offering insight for chassis design, payload limits, and operational planning. The proposed framework provides a scalable, cost-effective tool that supports EV retrofit programs and guides manufacturers in optimising motor sizing, controller tuning, and battery capacity for three-wheel electric mobility in developing regions.

    Citation: M M Mostafa Almadani, Omowunmi Mary Longe, Lanre Olatomiwa, Tobiloba Somefun. Analysis of the dynamic performance and energy efficiency of a three-wheel electric vehicle under standard drive cycles[J]. AIMS Energy, 2026, 14(1): 115-139. doi: 10.3934/energy.2026005

    Related Papers:

  • Electric three-wheelers are increasingly adopted in developing countries as sustainable alternatives to internal combustion engine-based transport, yet their design and optimization require accurate modelling tools for improved adoption. This study develops a comprehensive MATLAB/Simulink model for evaluating the dynamic performance and energy efficiency of a three-wheel electric vehicle under standard driving cycle conditions. The model integrates a 3 kW brushless DC (BLDC) motor, a 48 V 100 Ah lithium-ion battery (NMC), and an H-bridge inverter with regenerative braking. The motor electrical parameters, battery internal resistance, C-rate, and inverter switching characteristics were incorporated to ensure reproducibility. A proportional-integral (PI) controller is employed to emulate driver torque demand. Vehicle performance is assessed using four standard drive cycles, such as the federal test procedure (FTP-75), the new European driving cycle (NEDC), the worldwide harmonized light vehicles test procedure (WLTP Class 3), and the urban dynamometer driving schedule (UDDS). Results show that WLTP Class 3 provides the most realistic representation of energy consumption for urban three-wheelers owing to its wider speed range, more dynamic acceleration patterns, and mixed urban–suburban characteristics. In comparison, FTP-75 and UDDS emphasise low-speed stop-and-go operation, while NEDC reflects smoother peri-urban driving. A mass-based analysis further demonstrates a strong positive correlation between vehicle weight and energy consumption, offering insight for chassis design, payload limits, and operational planning. The proposed framework provides a scalable, cost-effective tool that supports EV retrofit programs and guides manufacturers in optimising motor sizing, controller tuning, and battery capacity for three-wheel electric mobility in developing regions.



    加载中


    [1] Keegan G, Nelendran P, Oluwafemi O (2024) Modeling and simulation of hybrid electric vehicles for sustainable transportation: Insights into fuel savings and emissions reduction. Energies 17: 5225. https://doi.org/10.3390/en17205225 doi: 10.3390/en17205225
    [2] Nascimento L, Kuramochi T, Woollands S, et al. (2022) Greenhouse gas mitigation scenarios for major emitting countries: Analysis of current climate policies and mitigation commitments: 2022 update. Report. Available from: https://newclimate.org/sites/default/files/2022-10/EC-PBL2022_CurrentPolicies_Oct22.pdf.
    [3] Francis J, Narayamparambil AB, Johnson A, et al. (2021) Conversion of internal combustion engine car to semi-autonomous electric car. J Phys: Conf Ser 2070: 012203. https://doi.org/10.1088/1742-6596/2070/1/012203 doi: 10.1088/1742-6596/2070/1/012203
    [4] Almadani M, Oni OE, Longe OM, et al. (2024) Comparison of battery chemistries for electric vehicle applications. 5th African International Conference on Industrial Engineering and Operations Management. https://doi.org/10.46254/AF05.20240159 doi: 10.46254/AF05.20240159
    [5] Sharmila B, Srinivasan K, Devasena D, et al. (2022) Modelling and performance analysis of electric vehicle. Int J Ambient Energy 43: 5034–5040. https://doi.org/10.1080/01430750.2021.1932587 doi: 10.1080/01430750.2021.1932587
    [6] Oni OE, Longe OM (2024) A study on electric vehicle footprint in South Africa. Energies 17:6086. https://doi.org/10.3390/en17236086 doi: 10.3390/en17236086
    [7] Dassault Systèmes (2024) SolidWorks, Version 2024. Dassault Systèmes, Waltham, MA. Available from: https://www.solidworks.com/support/downloads.
    [8] Hossain M, Hasan M, Hasanuzzaman M, et al. (2023) Affordable electric three-wheeler in Bangladesh: Prospects, challenges, and sustainable solutions. Sustainability 15: 149. https://doi.org/10.3390/su15010149 doi: 10.3390/su15010149
    [9] Vražić M, Vuljaj D, Pavasović A, et al. (2014) Study of a vehicle conversion from internal combustion engine to electric drive. IEEE International Energy Conference (ENERGYCON) 1544–1548. https://doi.org/10.1109/ENERGYCON.2014.6850628 doi: 10.1109/ENERGYCON.2014.6850628
    [10] Qiao Q, Zhao F, Liu Z, et al. (2019) Electric vehicle recycling in China: Economic and environmental benefits. Resour, Conserv Recycl 140: 45–53. https://doi.org/10.1016/j.resconrec.2018.09.003 doi: 10.1016/j.resconrec.2018.09.003
    [11] Gautam AK, Tariq M, Pandey JP, et al. (2022) Optimal power management strategy by using fuzzy logic controller for BLDC motor-driven e-rickshaw. J Intell Fuzzy Syst 42: 1089–1098. https://doi.org/10.3233/JIFS-189774 doi: 10.3233/JIFS-189774
    [12] Suryavanshi SS, Ghanegaonkar PM, Kawade RK (2025) Insights into retrofitting internal combustion engine vehicles to battery electric vehicles for eco-friendly vehicle technology. SAE Mobilus. https://doi.org/10.4271/2025-01-5009 doi: 10.4271/2025-01-5009
    [13] Kulkarni AR, Singh S, Kant K, et al. (2024) Experimental electric retrofitting of an ICE vehicle with simulation and cost analysis. Int J Innovative Technol Explor Eng 9: 45–50. https://doi.org/10.35940/ijitee.I1008.0799S20 doi: 10.35940/ijitee.I1008.0799S20
    [14] Pandit H, Prajapati S, Kumar A, et al. (2024) Effective EV battery charging system using MPPT controller for solar PV system. International BIT Conference (BITCON), 1–6. https://doi.org/10.1109/BITCON63716.2024.10984707 doi: 10.1109/BITCON63716.2024.10984707
    [15] Gebisa A, Gebresenbet G, Gopal R, et al. (2021) Driving cycles for estimating vehicle emission levels and energy consumption. Future Transp 1: 615–638. https://doi.org/10.3390/futuretransp1030033 doi: 10.3390/futuretransp1030033
    [16] Tiwary A, Garg S, Mishra S (2022) Impact of driving behaviour on energy consumption of electric vehicle. National Power Systems Conference (NPSC), 872–877. https://doi.org/10.1109/NPSC57038.2022.10069293 doi: 10.1109/NPSC57038.2022.10069293
    [17] Pielecha J, Skobiej K, Kurtyka J (2020) Exhaust emissions and energy consumption analysis of conventional, hybrid, and electric vehicles in real driving cycles. Energies 13: 6423. https://doi.org/10.3390/en13236423 doi: 10.3390/en13236423
    [18] Yang JD, Millichamp J, Suter T, et al. (2023) A review of drive cycles for electrochemical propulsion. Energies 16: 6552. https://doi.org/10.3390/en16186552 doi: 10.3390/en16186552
    [19] Liu X, Zhao F, Hao H, et al. (2020) From NEDC to WLTP: Effect on the energy consumption, NEV credits, and subsidies policies of PHEV in the Chinese market. Sustainability 12: 5747. https://doi.org/10.3390/su12145747 doi: 10.3390/su12145747
    [20] Lakshmikanth S, Devarajaiah RM, Chowdhury A, et al. (2023) Analytical design of 3 kW BLDC motor for electric vehicle applications. International Conference on Intelligent Technologies (CONIT), 1–7. https://doi.org/10.1109/CONIT59222.2023.10205842 doi: 10.1109/CONIT59222.2023.10205842
    [21] Sabarish V, Dhayalan CD, Sriraman M, et al. (2023) Modeling and simulation of H-bridge motor-driven electric vehicle using MATLAB/Simulink. International Conference on Artificial Intelligence and Smart Energy (ICAIS), 206–212. https://doi.org/10.1109/ICAIS56108.2023.10073813 doi: 10.1109/ICAIS56108.2023.10073813
    [22] Kokare B, Deokar S, Kale M (2025) Design and simulation of electric vehicle powertrain kinematics and components using MATLAB/Simulink. Int Res J Adv Eng Manage 3: 1587–1598. https://doi.org/10.47392/IRJAEM.2025.0257 doi: 10.47392/IRJAEM.2025.0257
  • Reader Comments
  • © 2026 the Author(s), licensee AIMS Press. This is an open access article distributed under the terms of the Creative Commons Attribution License (http://creativecommons.org/licenses/by/4.0)
通讯作者: 陈斌, bchen63@163.com
  • 1. 

    沈阳化工大学材料科学与工程学院 沈阳 110142

  1. 本站搜索
  2. 百度学术搜索
  3. 万方数据库搜索
  4. CNKI搜索

Metrics

Article views(1599) PDF downloads(102) Cited by(0)

Article outline

Figures and Tables

Figures(7)  /  Tables(8)

/

DownLoad:  Full-Size Img  PowerPoint
Return
Return

Catalog